Accura introduces LISA, an advanced Label Counting & Inspection Machine designed to automate and streamline the process of label counting and inspection. Eliminating the need for manual counting, LISA offers comprehensive inspection capabilities to identify defects across the entire label. This high-speed, user-friendly machine is equipped with a 10.4-inch IPC with a Core i3 equivalent processor and Zenon Scada software, operating on Microsoft Windows 7 Professional, LISA ensures optimum accuracy and accountability. Q1P’s ability to count a predetermined label quantity, along with a report generation and printing facility, makes it an essential tool for any operation prioritizing efficiency and compliance with cGMP norms.
Product USP
Since 2003, we have been the leading provider of next-generation automatic vision inspection systems for the pharmaceutical industry.
cGMP-compliant design and built
High-speed machine with 1500 counts per minute (100 Meters/Minute)
Barcode / Pharmacode / 2D code inspection
Industrial megapixel vision camera
12” panel computer with Core i5 processor
Easy to install, operate, and maintain
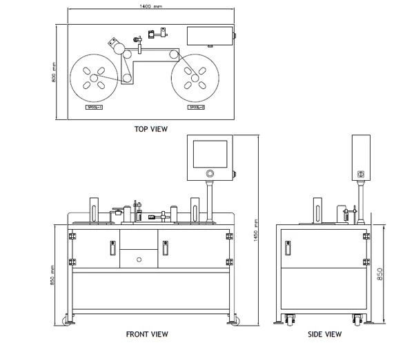
Pneumatically operated automatic core holder
18” Aluminium spools for roll winding
Servo-operated spools for precise movement
Label roll stops at a dedicated spot for removal of rejected label
Facility of roll winding - rewinding, direction change
Compact, robustly built and maintenance-free
Complete body made from SS 304
Optional Features
Entire label inspection
21 CFR Part 11 Compliance

